Skip to content
OSH Park
Perfect Purple PCBs
Sidebar
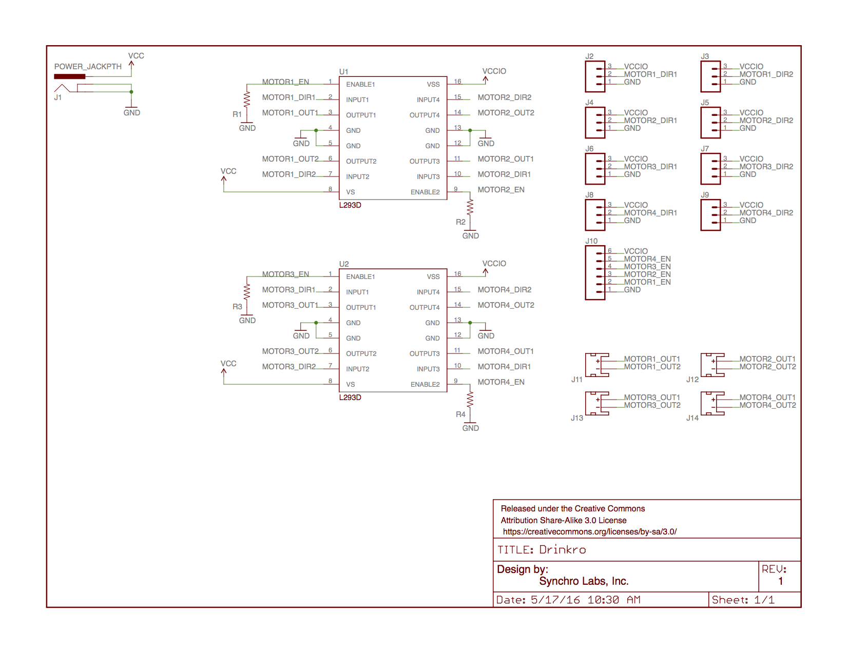
drinkro-r1
December 22, 2016
December 22, 2016
fustini
drinkro-r1
Post navigation
←
Drinkro the Synchro Bartender
Leave a comment
Cancel reply
Δ
Comment
Subscribe
Subscribed
OSH Park
Join 172 other subscribers
Sign me up
Already have a WordPress.com account?
Log in now.
OSH Park
Subscribe
Subscribed
Sign up
Log in
Copy shortlink
Report this content
View post in Reader
Manage subscriptions
Collapse this bar