Skip to content
OSH Park
Perfect Purple PCBs
Sidebar
2065451490967405663
September 29, 2017
September 29, 2017
fustini
2065451490967405663
Post navigation
←
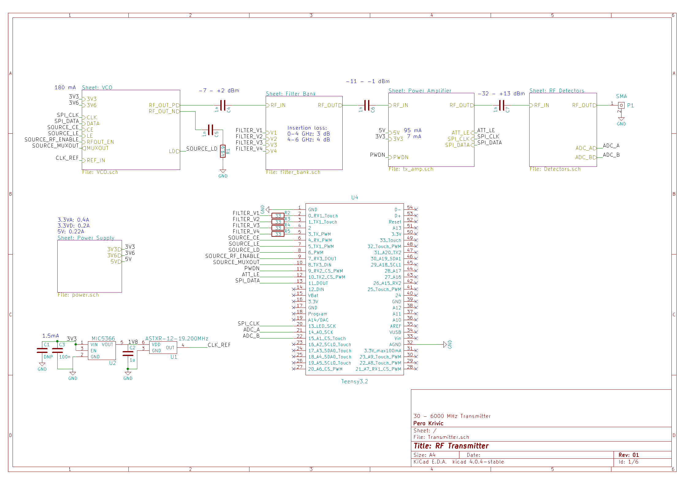
DIY Microwave Transmitter
Leave a comment
Cancel reply
Δ
Comment
Subscribe
Subscribed
OSH Park
Join 172 other subscribers
Sign me up
Already have a WordPress.com account?
Log in now.
OSH Park
Subscribe
Subscribed
Sign up
Log in
Copy shortlink
Report this content
View post in Reader
Manage subscriptions
Collapse this bar